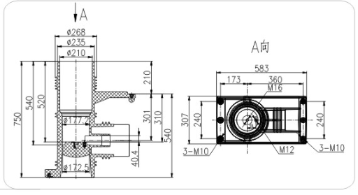
产品名称:屏蔽触头盒(加长型)

产品型号:CHZ309-40.5

额定电压:40.5kV


产品设计图:

20200328173013800.jpg

产品咨询