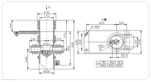
产品名称:屏蔽触头盒(配ABB柜)

产品型号:CHZ306G-40.5

额定电压:40.5kV


产品设计图:

20200328172856123.jpg

产品咨询